注册帐号丨忘记密码?
1.点击网站首页右上角的“充值”按钮可以为您的帐号充值
2.可选择不同档位的充值金额,充值后按篇按本计费
3.充值成功后即可购买网站上的任意文章或杂志的电子版
4.购买后文章、杂志可在个人中心的订阅/零买找到
5.登陆后可阅读免费专区的精彩内容
打开文本图片集
中图分类号:TN911.73-34;TP751 文献标识码:A 文章编号:1004-373X(2025)23-0017-08
0 引言
近年来,深度学习技术已经广泛应用于图像语义分割领域。与传统机器学习方法相比,基于深度学习的模型通常具有较深的网络层和复杂的网络架构,在特征学习和特征表达方面展现出了卓越的能力。(剩余10068字)
登录龙源期刊网
购买文章
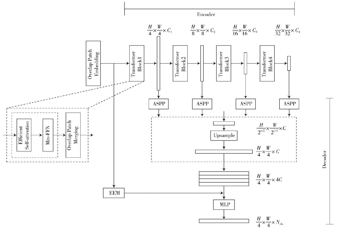
基于改进SegFormer的超声影像分割方法研究
文章价格:6.00元
当前余额:100.00
阅读
您目前是文章会员,阅读数共:0篇
剩余阅读数:0篇
阅读有效期:0001-1-1 0:00:00