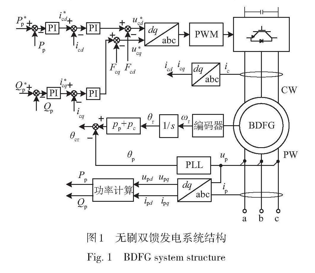
变速恒频无刷双馈发电机集成耦合参数辨识

打开文本图片集
收稿日期:2021-08-27
基金项目:安徽省自然科学基金(1908085QE238);中央基本科研业务(JZ2021HGQA0194;PA2021GDGP0060)
通信作者:解 宝(1992—),男,博士、讲师,主要从事新能源并网发电控制及稳定性方面的研究。1261889141@qq.com
DOI:10.19912/j.0254-0096.tynxb.2021-1019 文章编号:0254-0096(2023)04-0017-06
摘 要:由于无刷双馈电机模型的复杂性,其绕组参数难以识别,该文基于无刷双馈电机结构特点,提出一种集成耦合参数的辨识方法。(剩余10013字)