重沸器蒸汽疏水阀频繁故障分析与改造效果评价
            
                        
                        
            	
            
                 
                
                
            
            
                
                    
                    打开文本图片集
            
            中图分类号:TQ055.81 文献标识码:B 文章编号:1004-8901(2025)04-0053-03
AnalysisofFrequent FailuresonSteam Traps inRe-boilersandModification Evaluation
YangLin,LinWan-zhou,RANMao-ke,ZHANGYi-jing,LuoHua (NortheasternOperationalBranchofCNPCSouthwestOilandGasFieldCompany,ChengduSichuan6l021,China)
Abstractoaddressfrequentfluresofsteamtravalvesinteilerofnaturalgaspurifaionplantsregeerationtowtheinteal componentssuchastheflatingballandoectingleveaeexaminedasednanunderstandingoftevalvesstructureandmecassItis foundthatthequalityoftefloatingballandwearontheconnectingleverduringusearetefundamentalcausesofthefrequentfailuresTec nicalandmangerialimprovementmeasureswereproposedtoprovideasolutionforthefrequntfaluresoftheeboilersteamtrapalve
Keywords:steamtrapvalve;floatingball;cotterpin;wear;failure doi:10.3969/j.issn.1004-8901.2025.04.016
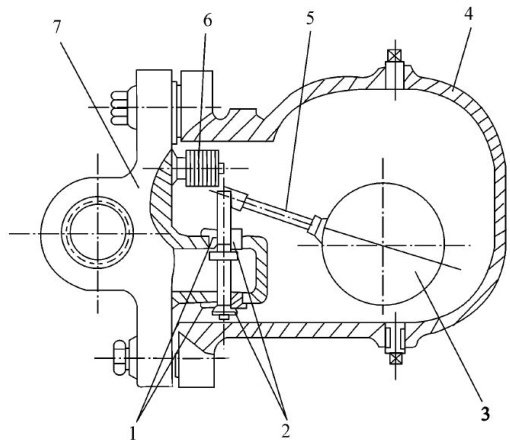
某天然气净化厂,3列天然气处理装置脱硫单元共有6台再生塔重沸器,低压蒸汽通过进口流量调节阀在重沸器壳程对胺液进行加热,蒸汽换热后冷凝形成凝结水,通过底部出口管线、Y形过滤器、闸阀和疏水阀等设备至公用工程系统。(剩余3138字)