采用多角度偏振光学相干层析成像的滑油 磨粒三维形貌检测和重建

打开文本图片集
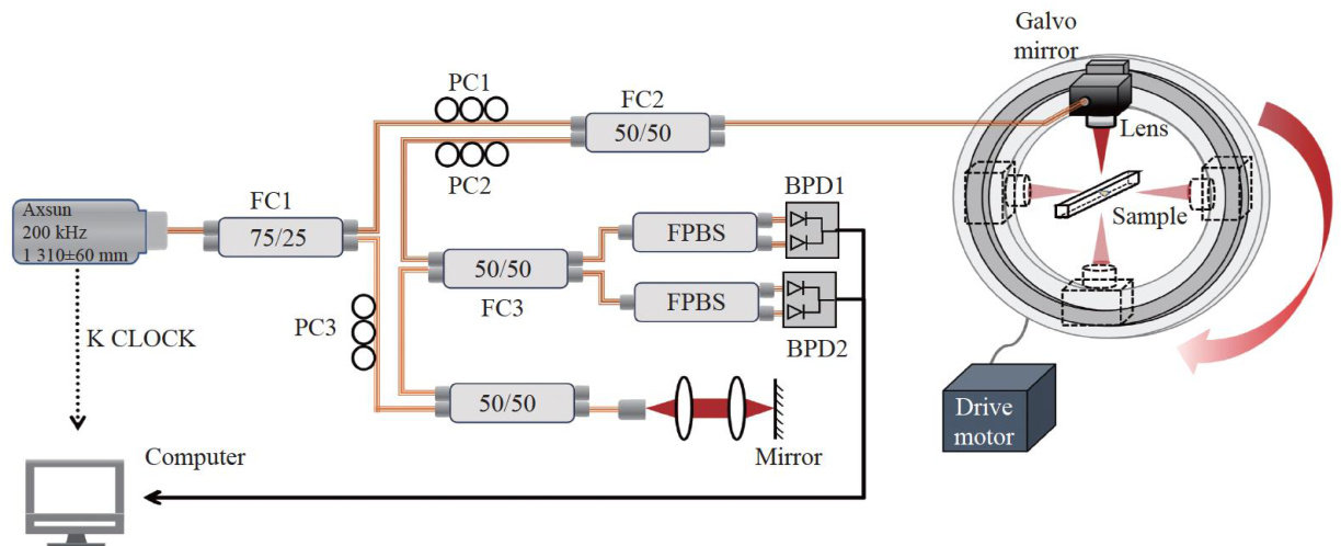
Abstract: The morphological description wear particles in lubricating oil is crucial for wear state monitoring fault diagnosis in aero-engines. Accurately comprehensively acquiring three-dimensional (3D) morphological data these particles has became a key focus in wear debris analysis. Herein, we develop a novel multi-view polarization-sensitive optical coherence tomography (PS-OCT) method to achieve accurate 3D morphology detection reconstruction aero-engine lubricant wear particles, effectively resolving occlusion-induced information loss while enabling material-specific characterization. The particle morphology is captured by multi-view imaging, followed by filtering, sharpening, contour recognition. The method integrates advanced registration algorithms with Poisson reconstruction to generate high-precision 3D models.This approach not only provides accurate 3D morphological reconstruction but also mitigates information loss caused by particle occlusion, ensuring model completeness. Furthermore, by colecting polarization characteristics typical metals their oxides in aero-engine lubricants,this work comprehensively characterizes comparatively analyzes particle polarization properties using Stokes vectors, polarization uniformity, cumulative phase retardation, obtains a three-dimensional model containing polarization information. Ultimately,the proposed method enables multidimensional information acquisition for the reliable identification abrasive particle types.
keywords: multi-view; optical low coherence; polarization; 3D reconstruction; wear particles
摘要:滑油中的磨粒形貌信息对航空发动机的磨损状态检测和故障诊断至关重要,如何准确地获取滑油磨粒完整的三维形貌信息已经成为滑油磨粒分析的重点。(剩余36140字)