注册帐号丨忘记密码?
1.点击网站首页右上角的“充值”按钮可以为您的帐号充值
2.可选择不同档位的充值金额,充值后按篇按本计费
3.充值成功后即可购买网站上的任意文章或杂志的电子版
4.购买后文章、杂志可在个人中心的订阅/零买找到
5.登陆后可阅读免费专区的精彩内容
打开文本图片集
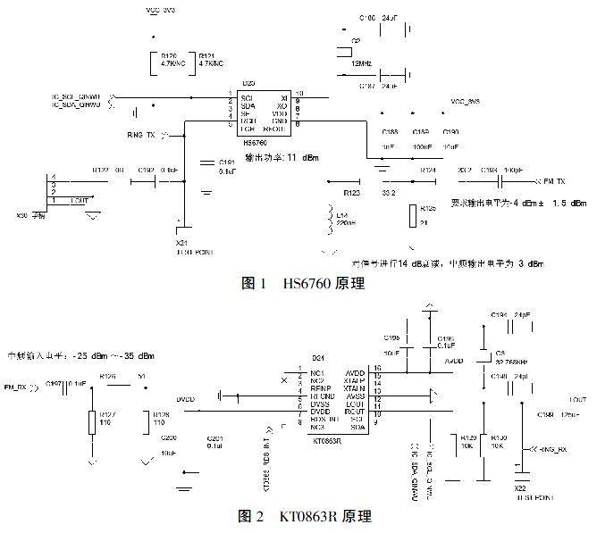
摘要: 随着自主可控要求的不断提高,全国产化产品的需求逐步出现在大众视野,在保密要求比较高的应用中,尤其凸显。针对该应用场景,文章利用HS6760芯片作为发射芯片,KT0863R作为接收芯片,同时,利用兆易创新的MCU GD32F107作为控制芯片,搭建了一套全国产化话音系统。此外,该系统利用KT0863R的SNR和RSSI检测技术,识别指定频点的信号电平。(剩余5618字)
登录龙源期刊网
购买文章
一种基于HS6760和KT0863R的全国产话音系统设计
文章价格:4.00元
当前余额:100.00
阅读
您目前是文章会员,阅读数共:0篇
剩余阅读数:0篇
阅读有效期:0001/1/1 0:00:00