注册帐号丨忘记密码?
1.点击网站首页右上角的“充值”按钮可以为您的帐号充值
2.可选择不同档位的充值金额,充值后按篇按本计费
3.充值成功后即可购买网站上的任意文章或杂志的电子版
4.购买后文章、杂志可在个人中心的订阅/零买找到
5.登陆后可阅读免费专区的精彩内容
打开文本图片集
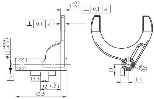
1序言
铣削专用夹具直接影响加工稳定性、精度与效率,对叉类零件这类结构薄弱、易振工件尤其明显。传统装夹刚性不足易引发刀具崩刃、尺寸超差甚至工件松脱等风险,严重制约产品质量与生产效率[1]。高刚性专用夹具不仅能有效抑制振动,提升定位精度,还可实现快速装夹与参数优化,是保障生产安全、提质增效的关键[2]。(剩余1754字)
登录龙源期刊网
购买文章
叉类零件高刚性铣削夹具
文章价格:3.00元
当前余额:100.00
阅读
您目前是文章会员,阅读数共:0篇
剩余阅读数:0篇
阅读有效期:0001/1/1 0:00:00