注册帐号丨忘记密码?
1.点击网站首页右上角的“充值”按钮可以为您的帐号充值
2.可选择不同档位的充值金额,充值后按篇按本计费
3.充值成功后即可购买网站上的任意文章或杂志的电子版
4.购买后文章、杂志可在个人中心的订阅/零买找到
5.登陆后可阅读免费专区的精彩内容
打开文本图片集
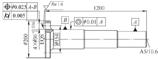
1序言
车铣复合机床融合了车削与铣削的双重功能,能够在单一机床上完成零件的全部或主要加工工序,不仅提升了加工精度,而且显著提高了生产效率[1,2]。相比之下,传统的数控机床仅能专注于单一的铣削或车削任务,具有一定的局限性。
图1所示为带有法兰面的长轴类零件,采用车铣复合机床可以显著简化加工工序。虽然车铣复合机床的主要功能是车削,铣削功能仅作为辅助,但是仍可利用其实现高精度孔位的加工。(剩余3017字)
登录龙源期刊网
购买文章
提升车铣复合机床加工孔位精度的方法
文章价格:4.00元
当前余额:100.00
阅读
您目前是文章会员,阅读数共:0篇
剩余阅读数:0篇
阅读有效期:0001/1/1 0:00:00