注册帐号丨忘记密码?
1.点击网站首页右上角的“充值”按钮可以为您的帐号充值
2.可选择不同档位的充值金额,充值后按篇按本计费
3.充值成功后即可购买网站上的任意文章或杂志的电子版
4.购买后文章、杂志可在个人中心的订阅/零买找到
5.登陆后可阅读免费专区的精彩内容
打开文本图片集
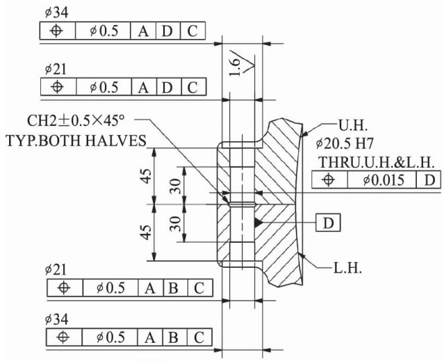
关键词:合缸;销孔损伤;预防方法
中图分类号:TH16 文献标志码:A 文章编号:1671-0797(2025)20-0069-03
DOI:10.19514/j.cnki.cn32-1628/tm.2025.20.018
0 引言
大多数燃气轮机和蒸汽轮机的结构包括两部分,即由上半(UHPART)和下半(LHPART组成,上半和下半通过水平中分面(结合面)进行装配,形成整体。(剩余3852字)
登录龙源期刊网
购买文章
合缸销孔损伤分析及预防方法
文章价格:4.00元
当前余额:100.00
阅读
您目前是文章会员,阅读数共:0篇
剩余阅读数:0篇
阅读有效期:0001-1-1 0:00:00