注册帐号丨忘记密码?
1.点击网站首页右上角的“充值”按钮可以为您的帐号充值
2.可选择不同档位的充值金额,充值后按篇按本计费
3.充值成功后即可购买网站上的任意文章或杂志的电子版
4.购买后文章、杂志可在个人中心的订阅/零买找到
5.登陆后可阅读免费专区的精彩内容
打开文本图片集
中图分类号:S776;S23-0 文献标识码:A 文章编号:2095-2953(2025)11-0067-08
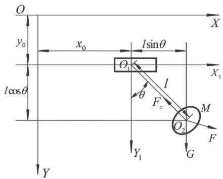
蓝莓具有多种抗氧化物质,有较高的药用价值及保健功能[,被联合国粮农组织列为人类五大健康食品之一,具有“浆果之王"的美称[2]。近年来,国内蓝莓需求量不断提高,而蓝莓采收环节是蓝莓生产全过程中对劳动力、时效性需求最强的环节,其工作量约占生产全过程的 40% 左右[3-4]。(剩余7385字)
登录龙源期刊网
购买文章
蓝莓振动采摘机理与仿真分析
文章价格:5.00元
当前余额:100.00
阅读
您目前是文章会员,阅读数共:0篇
剩余阅读数:0篇
阅读有效期:0001-1-1 0:00:00