注册帐号丨忘记密码?
1.点击网站首页右上角的“充值”按钮可以为您的帐号充值
2.可选择不同档位的充值金额,充值后按篇按本计费
3.充值成功后即可购买网站上的任意文章或杂志的电子版
4.购买后文章、杂志可在个人中心的订阅/零买找到
5.登陆后可阅读免费专区的精彩内容
打开文本图片集
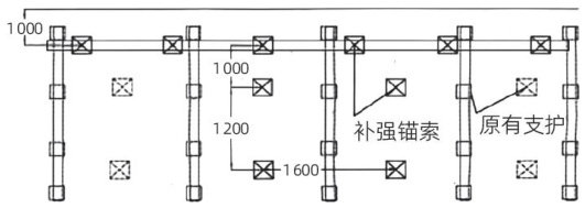
0引言
煤炭作为我国重要的基础能源,在国民经济发展中起着不可替代的作用。随着煤炭开采强度的不断增大和开采深度的逐渐加深,如何实现煤炭资源的高效开采、减少不必要的煤柱留置,对煤矿企业,特别是资源整合矿井来说是一个有重要意义的研究课题。本文结合某矿XV2306、XV2307综采工作面特点,将对如何实现零煤柱开采,进行沿空留巷巷道支护与维修进行研究和探讨,对煤炭安全绿色高效开采有一定的促进作用[1]。(剩余4162字)
登录龙源期刊网
购买文章
综采工作面无煤柱开采沿空留巷支护技术探讨
文章价格:4.00元
当前余额:100.00
阅读
您目前是文章会员,阅读数共:0篇
剩余阅读数:0篇
阅读有效期:0001/1/1 0:00:00