注册帐号丨忘记密码?
1.点击网站首页右上角的“充值”按钮可以为您的帐号充值
2.可选择不同档位的充值金额,充值后按篇按本计费
3.充值成功后即可购买网站上的任意文章或杂志的电子版
4.购买后文章、杂志可在个人中心的订阅/零买找到
5.登陆后可阅读免费专区的精彩内容
打开文本图片集
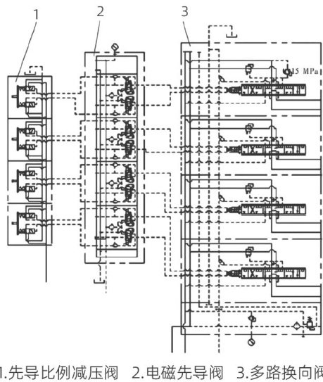
0 引言
煤矿智能化采掘效率高、自动化程度高、安全性强是煤矿开采的方向。作为其中的重要环节,巷道掘进技术和配套设备的智能化水平会直接影响煤矿开采效率,也会影响到掘进工作面的无人化发展速度,是目前亟需解决的问题之一。在巷道掘进作业中,由于该掘进面区域地质环境复杂,机械设备种类多,工序繁琐,相对于综采工作面而言,综掘智能化程度低,发展速度缓慢,采掘失衡,严重阻碍生产力的发展[1]。(剩余4342字)
登录龙源期刊网
购买文章
矿用掘进装备液压系统智能化改进研究
文章价格:4.00元
当前余额:100.00
阅读
您目前是文章会员,阅读数共:0篇
剩余阅读数:0篇
阅读有效期:0001/1/1 0:00:00