机电信息

机电信息

2022年18期
  • 收藏
收藏成功
微博 空间 微信
《机电信息》杂志社自2001年创刊以来,始终以服务机电行业为己任,经过10余年的实践积累,已形成了完备的信息市场服务网络...     展开

类型

半月刊

类别

定价
促销信息
全年订阅更优惠!
¥10.00 ¥4.90
目录

电气工程与自动化

浅论抽蓄电站接地系统设计
摘 要:随着现代电网容量的增大、故障电流的升高,加上耐压程度低的智能化设备的普及,以往的某些接地网标准已不能满足现代电网的安全性需求。接地电阻的标准应考虑入地故障电流值,在最严峻的情况下使整个接地网区域内的地电位控制在某一个范围。鉴于此,以...
光纤复合相线(OPPC)在双分裂导线中的应用
摘 要:光纤复合相线(OPPC)具有通信可靠性高、电能损耗小、线路监控智能化程度高、便于重覆冰区线路导地线融冰等优势,正越来越多地应用于高压输电线路。现主要研究OPPC与普通导线组合成双分裂导线时在工程实践上出现的问题,并提出了相应的解决方...
浅谈三相异步电动机接地电阻试验
摘 要:简述了《中小型旋转电机通用安全要求》(GB/T 14711—2013)和《小功率电动机的安全要求》(GB/T 12350—2009)中接地电阻检测方法的差异,并对不同机壳材质、不同结构和不同额定电流的三相异步电动机进行了接地电阻验证...
电桥正反接线平均法测量电缆故障距离的研究
摘 要:电缆故障距离的准确测量对于电力行业非常重要。鉴于此,详细介绍了三相电缆单相接地电桥法测量故障距离原理和两相短路电桥法测量故障距离原理,提出了采用电桥正反接线平均法测量电缆的故障距离,通过对现场一10 kV三相铜芯油纸绝缘电缆的故障点...
风力发电机组控制算法测试方法及评测
摘 要:针对风力发电机组控制系统中的控制算法在更新过程中测试环境搭建复用度低、测试用例覆盖率低、对控制算法测试不充分等问题,提出了基于风场真实数据以及引用成熟的测试框架Google test对算法进行测试的方法,将传统的测试方法与新的测试方...
整县区屋顶分布式光伏开发规划研究
摘 要:针对整县区屋顶分布式光伏开发进行规划研究,首先摸查了整县区屋顶资源及光伏可建设规模,分析了区域高、中、低压配电网对分布式光伏的承载能力,然后提出了区域配电网建设投资需求,评估了分布式光伏接入对电网的影响,最后总结了开发过程存在的问题...

设计与分析

基于大型UUV的MPC解耦路径跟踪控制
摘 要:针对欠驱动大型水下无人航行器(Underwater Unmanned Vehicle,UUV)的控制问题,基于UUV全数字模型,将UUV的水平面控制解耦为运动学控制和动力学控制。运动学控制采用Serret-Frenet坐标系下的视线...
基于PLC与小程序的自助立体车库系统设计与分析
摘 要:随着我国城镇化进程加快,汽车保用量剧增,土地资源紧缺,停车难问题日益严重,提升车位空间的利用率是目前解决这个问题的有效途径之一。鉴于此,设计了一种基于PLC与小程序的自助立体停车库,以PLC为控制系统的核心,服务器利用网络通信协议,...
交替极Halbach径向永磁联轴器特性分析
摘 要:为解决传统径向永磁联轴器的转矩性能较低和漏磁通较多的问题,提出了一种新型的交替极Halbach径向永磁联轴器。采用数值分析方法与传统径向永磁联轴器的磁场性能进行了对比分析,验证了所提结构的合理性,再对影响传动特性的结构参数进行了深入...
无人机在电力系统中的远距离通信支持分析
摘 要:当前,无人机在电力巡检中的应用已经比较成熟,但也存在着通信制约问题,成为影响无人机巡检实效的主要因素。人们对无人机通信方式进行了深入研究,除卫星通信、中继基站通信、公共网络通信之外,推出了中继通信系统,以实现信号的长距离稳定传输,解...
基于结构光的定位抓取系统设计
摘 要:针对多种类、形状各异、散乱放置、高度不一致的异构件在弱纹理、反光等复杂场景中难以实现精确抓取的问题,开发设计了一套双目结构光定位抓取系统。在相机标定获取相机参数后,通过双目结构光实现异构件的三维重建,再创建点云模板与三维点云进行配准...
一种木地板自动铺设装置的设计
摘 要:详细分析了木地板自动铺设装置的工作原理,介绍了其结构组成、关键部位和控制系统,同时阐述了木地板自动铺设装置的特点,并从实用角度分析了木地板自动铺设装置的可用性。另外,运用UG NX12.0三维建模软件构建了该装置的三维模型,可为以后...
KYN断路器温升算法探索
摘 要:由热力学方程推导KYN柜温升公式,采用最小二乘法计算稳态温升系数和时间常数。通过连续3个月的无源无线大电流测温试验数据,计算预测温升和温升时间常数,并拟合出理论温升—时间曲线。从实际温升—时间曲线与理论温升—时间曲线对比的结果看,两...
基于Run MyScreens的西门子数控系统五轴回转中心自动测量功能开发
摘 要:为了精确及快速测量出五轴数控加工中心回转轴零点的位置,分析了A轴及C轴回转中心的计算及测量方法,结合西门子数控系统平台,以G996RT五轴数控加工中心为例,应用Run MyScreens进行机床用户自定义人机交互界面的开发,设计出回...

设备管理与改造

生物质锅炉排烟温度过高原因分析及解决方案
摘 要:生物质锅炉排烟温度较高的影响因素有:燃料性质、漏风量、炉膛出口过量空气系数α、受热面结渣和积灰情况、受热面布置形态、冷空气温度、给水温度。首先,针对各影响因素提出了可行的控制措施;其次,通过热力计算分析锅炉排烟温度过高的原因,在此方...
基于9E燃机国产化控制系统的启停自动解并列与无功控制逻辑优化
摘 要:某电厂9E燃机控制系统TCS国产化改造后,通过机组启停顺控的研究,提出了机组自动解并列顺控与机组负荷小于25 MW时无功自动控制优化方案,结合灭磁开关、励磁装置与同期装置的运行情况,耦合燃机启动阶段的转速控制特性以及停机阶段联合循环...
一种拉压式弹簧补偿装置在重庆地铁的运用
摘 要:从在重庆轨道交通中成熟运用的一种拉压式弹簧补偿装置的结构、选型及安装等方面入手,系统性地介绍了重庆轨道交通中弹簧补偿装置的运用;并结合弹簧补偿与棘轮补偿的计算方式,分析了两种补偿装置的计算原理及差异;最后总结了弹簧补偿装置的运用经验...
某天然气处理厂膨胀压缩机无法启动故障原因分析与处理
摘 要:某天然气处理厂选用的膨胀压缩机是加拿大PROPAK公司的FRAME 2.5型压缩机,其利用膨胀制冷时的动力进行天然气压缩。2022年,在一次机组正常切换过程中,滑油压差无法稳定在1 030 kPa,不满足启机条件,导致无法启机。现场...
某电厂中压主汽门打不开原因分析及处理
摘 要:先根据中压主汽门的结构,剖析中压主汽门打不开的原因,再有针对性地提出防范措施,最后结合两起实际案例说明中压主汽门打不开时的处理步骤,可有效减少中压主汽门关闭后打不开的次数、缩短打不开时的处理时间。 关键词:中压主汽门;打不开;原因;...

工艺与技术

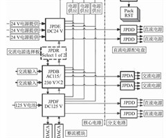
9FA燃机机组MARK VIe系统110 V直流馈电柜接地报警的故障排查与处理
摘 要:介绍了公司9FA型燃气轮机厂用110 V直流系统及MARK VIe 110 V直流电源分配系统。基于一个实例来介绍MARK VIe控制系统直流报警诊断排查方法,简单总结排查经验,为快速有效解决相关问题提供了参考。同时对控制柜内卡件电...
压片过程参数对片剂质量影响的研究
摘 要:采用试验研究的方法,探讨粉末在不同条件下进行压片时其参数对片剂的片重差异、硬度、脆碎度和崩解时间等性能评价指标的影响规律。试验压制直径为9.0 mm、目标片重为0.300 g的标准形凹面圆片。在压片过程中,对采用不同参数压制成形的片...
相敏电子式交流感应电机力矩测控技术研究
摘 要:电动设备的传统力矩测控技术测量精度不高,所依赖器件长期稳定性差,为了实现小干扰、高灵敏度的检测要求,提出了相敏电子式交流感应电机力矩检测与控制技术,该方法包括电压和电流采样、信号处理、力矩控制三部分。根据理论研究,该方法实现方式简单...
相关杂志
订阅全年后,您可享受以下权益
①该本杂志即日起至未来1年内所有更新电子版杂志的使用权限;
②赠送该杂志的部分往期的杂志的使用权限,有效期1年。

全年订购价格: ¥176.40

订阅全年
--%>

登录龙源期刊网

温馨提示:

1.点击网站右上角的“充值”按钮可以为您的账号充值

2.充值金额可以选择30,50,100或500元

3.充值成功后即可购买网站上的任意杂志或文章

还没有龙源账户? 立即注册

购买杂志

机电信息

杂志价格:¥4.90元

  • 微信扫码支付
  • 当前余额:100.00

购买杂志

机电信息

杂志价格:¥4.90元

  • 微信扫码支付
  • 当前余额:¥100.00

    去充值
monitor
客服机器人