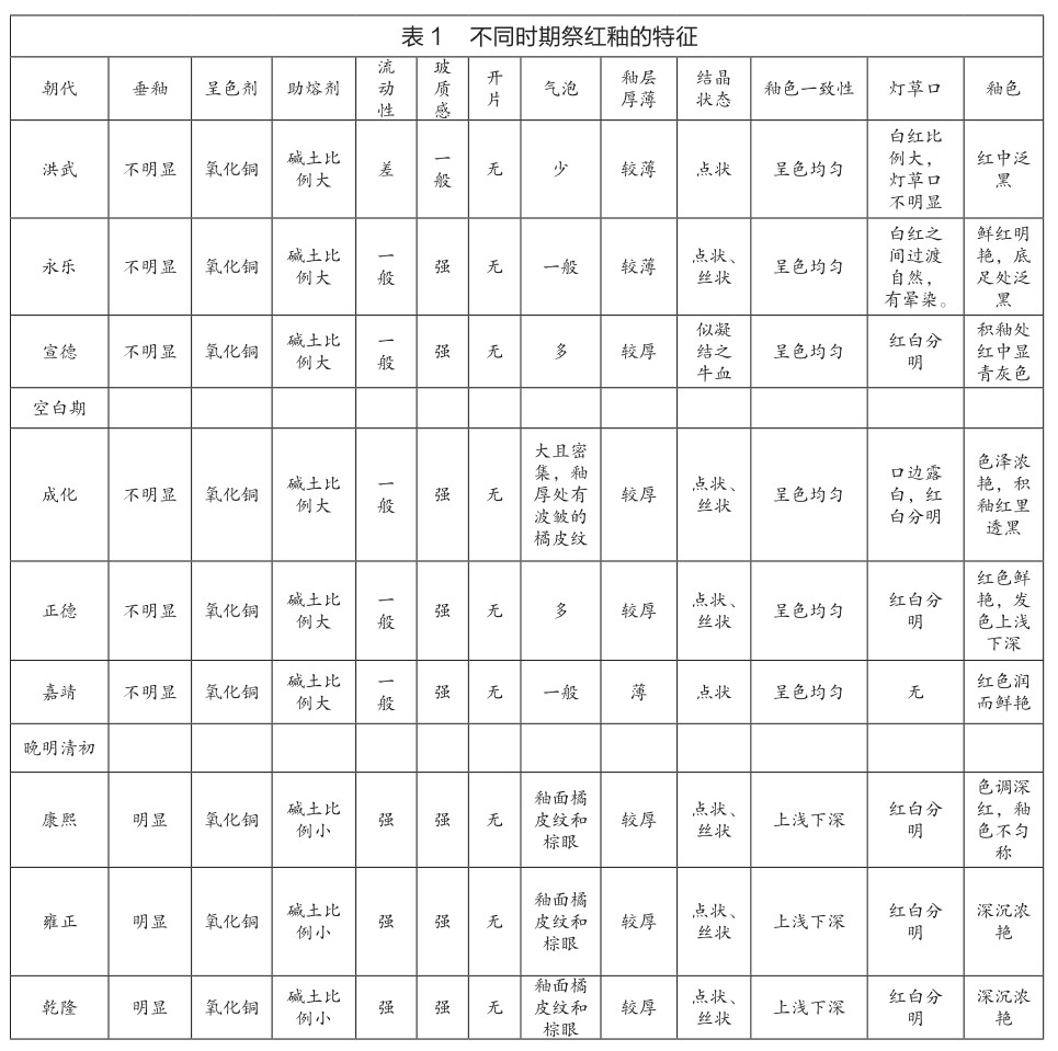
祭红釉衍变浅析

打开文本图片集
明清时期,景德镇窑高温铜红釉逐渐走向成熟。祭红釉是红釉的重要组成部分。元代时期景德镇窑开始烧造高温铜红釉瓷器,但由于陶瓷生产技术条件的限制,器物釉色发色较差。
红釉产生的起源
红色是明王朝的吉祥之色,受到明太祖朱元璋推崇,洪武三年朱元璋颁布了“以红色为贵”的旨意,并且要求宫中内外皆以红色作为装饰。同时期烧制的红釉瓷器风格,体现了由元至明过渡阶段的时代特点,即官窑器物胎体瓷化程度较高,坚致细白,稍有厚重感,在生坯胎体上施氧化铜为呈色剂的铜红釉,在1250℃ —1280℃高温还原焰中烧制而成,因为发色鲜艳,又被称为“鲜红釉”。(剩余2020字)