基于加权多新息改进Sage-HusaAEKF的锂离子电池SOC估计研究

打开文本图片集
中图分类号:TM912 文献标志码:A
0 引言
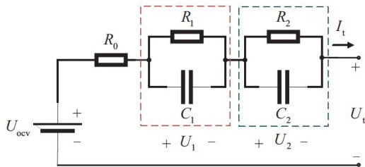
在"双碳"目标战略指引下,构建清洁低碳的新型能源体系已成为中国推进能源产业转型升级的首要工作重点。作为新能源领域的关键技术,动力电池产业持续创新,为驱动能源体系低碳转型提供了重要支撑[1]。作为电动汽车的核心动力单元,锂离子电池凭借其高存储能量密度、长效循环稳定性及强效功率输出能力等技术优势在电动汽车行业得到广泛使用,然而在实际运行中,受制于多变的工作条件和复杂的电化学过程,这类电池呈现出显著的非线性动态特性[2]。(剩余13616字)