注册帐号丨忘记密码?
1.点击网站首页右上角的“充值”按钮可以为您的帐号充值
2.可选择不同档位的充值金额,充值后按篇按本计费
3.充值成功后即可购买网站上的任意文章或杂志的电子版
4.购买后文章、杂志可在个人中心的订阅/零买找到
5.登陆后可阅读免费专区的精彩内容
打开文本图片集
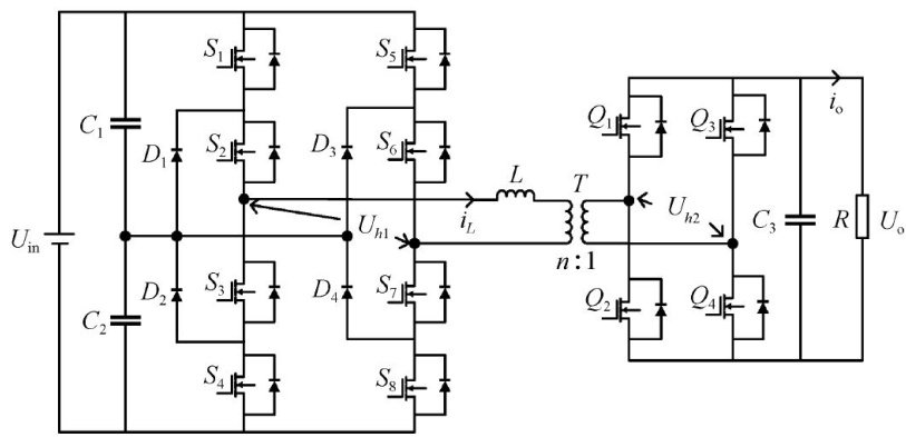
中图分类号:TM461;TM464 文献标识码:A 文章编号:2096-3998(2026)01-0097-12
随着高比例新能源及大量不确定负载通过换流器接入直流微电网,双有源桥(dual active bridge,DAB)DC-DC变换器作为储能系统与直流微电网以及不同电压等级直流母线之间的接口设备,能够控制能量双向流动、稳定直流母线电压。(剩余11256字)
登录龙源期刊网
购买文章
基于改进超螺旋滑模控制的混合全桥DC-DC变换器回流功率优化
文章价格:6.00元
当前余额:100.00
阅读
您目前是文章会员,阅读数共:0篇
剩余阅读数:0篇
阅读有效期:0001/1/1 0:00:00